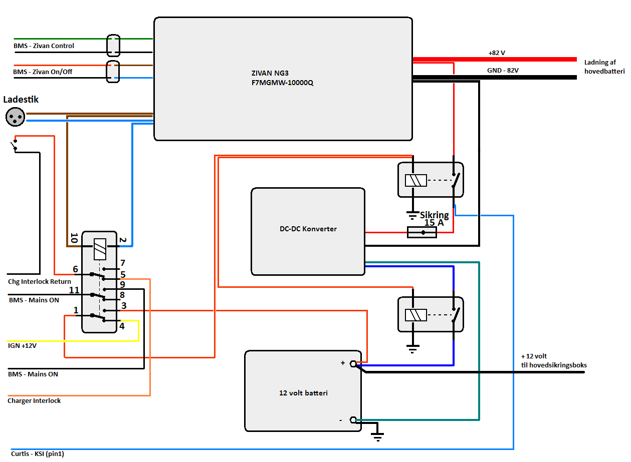
I den oprindelige reservehjuls plads er det fyldt op med teknik. Dette diagram viser installationen i bagagerummet.
Der er følgende komponenter i reservehjuls rummet og bagenden af elbilen:
- DC-DC konverter: laver 12 volt til bilens oprindelige installation fra de op mod 93 volt på lithium batteri pakken
- Zivan laderen
- Accesory batteriet
- Relæer, 3 stk
- Interlock switch forbundet til ‘lugen’ over ladestikket
- ladestikket


You must be logged in to post a comment.