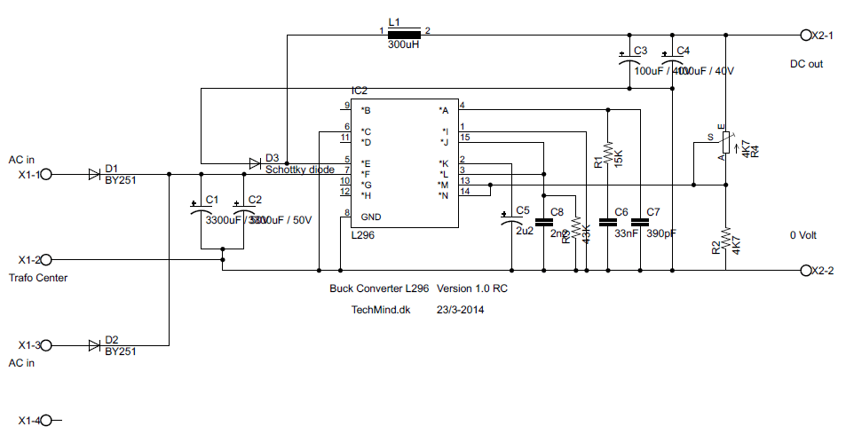
Stepdown converter SMPS L296
Diagram og printlayout har lagt et par år på min harddisk, nu er det vist på tide at give det væk. Der er dog et men, jeg har aldrig lavet dette print og testet det, så det er en ultra pre beta version. Lav printet, test det og lad høre fra dig om det virker 😉
Opdatering 23/3-2014, Version 1.0 RC:
Opstilling kører der var dog en fejl i diagram, udgangs stel og indgangs stel var ikke koplet sammen. Herunder er vist det nye diagram og nyt printlayout
Opdatering 19/3-2014:
Der er en fejl på diagram og der mangler derfor en stel forbindelse på udgangslytter.
Der kommer et opdateret diagram og printlayout, så vent på dette så er du sikker på den kommer til at virke hvis du bygger den.
toplayer
L296 Primary Side v1rc by myEbooks
Diagram, der bruges en standard smps chip, L296, den yder 4 ampere og klarer fra ca 5 volt til ca. 40 volt
komponentsiden, kaldes i dag primær siden
L296 Secondary Side v1rc by myEbooks
Loddesiden, kaldes idafg sekundær siden

