byg selv en li-ion batteri lader
Det er super let at bygge en lader til li-ion batterier.
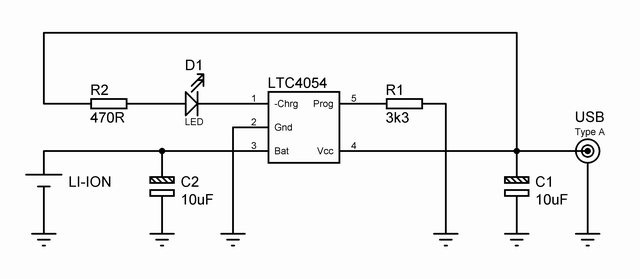
Det kræver en ic og nogle få andre komponenter, se mere her:
Det er super let at bygge en lader til li-ion batterier.
Det kræver en ic og nogle få andre komponenter, se mere her: